எனவே, நீங்கள் லிஃப்ட் அஷ்யூர்டு ஐ போல்ட்டைப் பார்க்கும்போது, அவை சில பொதுவான பொருட்களில் வருவதை நீங்கள் காண்பீர்கள், மேலும் சரியானதைத் தேர்ந்தெடுப்பது உங்கள் குறிப்பிட்ட வேலையைப் பொறுத்தது. நீங்கள் பார்க்கும் மிகவும் பொதுவான வகை கார்பன் ஸ்டீல் ஆகும். எந்தவொரு சிறப்பு நிபந்தனைகளும் இல்லாத தினசரி தூக்கும் பணிகளுக்கான பொதுவான தேர்வு இது. துருப்பிடிப்பதைத் தடுக்க, இந்த கார்பன் ஸ்டீல் போல்ட்கள் பொதுவாக துத்தநாக முலாம் பூசப்பட்டிருக்கும், இது வெள்ளி, சற்று பளபளப்பான தோற்றத்தை அளிக்கிறது.
பின்னர் துருப்பிடிக்காத எஃகு உள்ளது. கடலுக்கு அருகில் அல்லது இரசாயன ஆலைகள் போன்ற பொருட்கள் ஈரமான அல்லது அரிக்கும் இடங்களில் நீங்கள் பணிபுரிந்தால், நீங்கள் இதைச் செய்ய விரும்புவீர்கள். மிகவும் பொதுவான கிரேடுகள் 304 மற்றும் 316 ஆகும், மேலும் 316 மிகவும் கடுமையான அமைப்புகளுக்கு சற்று அதிகமாக இருக்கும். மறுபுறம், நீங்கள் உண்மையிலேயே அதிக சுமைகளைத் தூக்கினால், போலியான உலோகக் கலவை ஸ்டீல் ஐ போல்ட் வரை நீங்கள் செல்ல வேண்டும். இந்த பொருள் குறிப்பாக அதிக வலிமை தேவைகளை கையாள வடிவமைக்கப்பட்டுள்ளது, எனவே இது உங்கள் நிலையான கார்பன் ஸ்டீலை விட மிகவும் கடினமானது.
நீங்கள் லிஃப்ட் அஷ்யூர்டு ஐ போல்ட்டைப் பெறும்போது, அவை பெரும்பாலும் வெவ்வேறு பூச்சுகளைக் கொண்டிருப்பதை நீங்கள் கவனிப்பீர்கள். இது தோற்றத்திற்கு மட்டுமல்ல; இந்த மேற்பரப்பு சிகிச்சைகள் உண்மையில் போல்ட்டை நீண்ட காலம் நீடிக்கச் செய்வதும், துருவை எதிர்த்துப் போராடுவதும் ஆகும், இது பாதுகாப்பு மற்றும் ஆயுளுக்கு மிக முக்கியமானது.

நீங்கள் பார்க்கும் உண்மையான பொதுவான முறை மின்முலாம் பூசுவது. இங்குதான் துத்தநாகம் அல்லது நிக்கல் போன்றவற்றின் மெல்லிய அடுக்கை எஃகு மீது வைக்கிறார்கள். இது அரிப்புக்கு எதிராக ஒழுக்கமான அடிப்படை பாதுகாப்பை உங்களுக்கு வழங்குகிறது மற்றும் போல்ட்டை சற்று பிரகாசமாக மாற்றுகிறது. ஆனால், கட்டுமானத் தளத்தில் வெளிப்புறங்களில் அல்லது ஈரமான கடல் பகுதி போன்ற கடினமான சூழலுக்கு உங்களுக்கு கடினமான ஒன்று தேவைப்பட்டால், நீங்கள் ஒரு சூடான கால்வனேற்றப்பட்ட கண் போல்ட்டைத் தேட விரும்புவீர்கள். இந்த செயல்முறை மிகவும் தடிமனான பூச்சுகளை உருவாக்குகிறது, இது மிகவும் வலுவானது மற்றும் காலப்போக்கில் அதிக முறைகேடுகளைக் கையாள முடியும்.
மற்ற விருப்பங்களும் உள்ளன. உதாரணமாக, கருப்பு ஆக்சைடு என்பது ஒரு இருண்ட, பிரதிபலிப்பு இல்லாத பூச்சுடன் போல்ட்டை விட்டுச்செல்லும் ஒரு சிகிச்சையாகும். இது சில துரு எதிர்ப்பை வழங்குகிறது, ஆனால் அதன் தோற்றத்திற்காகவும் ஒளி கண்ணை கூசும் குறைப்பதற்காகவும் அடிக்கடி தேர்ந்தெடுக்கப்படுகிறது. மற்றும் துருப்பிடிக்காத எஃகு போல்ட்களுக்கு, அவை பெரும்பாலும் செயலற்ற தன்மை எனப்படும் செயல்முறையைப் பயன்படுத்துகின்றன. இது சிக்கலானதாகத் தோன்றலாம், ஆனால் இது அடிப்படையில் ஒரு இரசாயன குளியல், இது துருப்பிடிக்காத எஃகு மீது இயற்கையான பாதுகாப்பு அடுக்கை சுத்தம் செய்து வலுப்படுத்த உதவுகிறது, துருவை எதிர்க்கும் திறனை அதிகரிக்கிறது.
கேள்வி: உங்கள் லிஃப்ட் அஷ்யூர்டு ஐ போல்ட் சான்றிதழுடன் வருகிறதா?ஆமாம், லிஃப்ட்-அஷ்யூர்டு ஐ போல்ட்டிற்கான சோதனைச் சான்றிதழை நாங்கள் உங்களுக்கு வழங்க முடியும். இது ஐ போல்ட் ASME B18.15 போன்ற தரநிலைகளை பூர்த்தி செய்கிறது என்பதை நிரூபிக்கிறது, மேலும் அது எந்த பொருளால் ஆனது மற்றும் அதன் இயந்திர பண்புகளை உறுதிப்படுத்துகிறது.
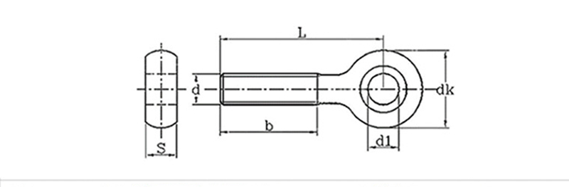
|
மிமீ |
|||
|
நூல் விட்டம் |
d1 |
dk |
s |
|
M6 |
5 |
10.5 |
5.4 |
|
M8 |
6 | 13 | 7 |
|
M10 |
8 | 16 | 8.5 |
|
M12 |
10 | 19 | 10.5 |