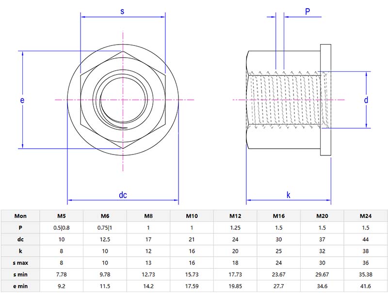
காலர் கொண்ட அறுகோண நட்டுநிலையான அறுகோண கொட்டைகள் ஆகும். அறுகோணத் தலையின் கீழ் நீட்டிக்கப்பட்ட உருளைக் காலர் உள்ளது. காலர் கூடுதல் நூல் ஈடுபாட்டைச் சேர்க்கிறது மற்றும் போல்ட் நூல்களை சேதத்திலிருந்து பாதுகாக்கிறது. காலர் ஒரு உள்ளமைக்கப்பட்ட வாஷர் போல செயல்படுகிறது.

காலர் கொண்ட அறுகோண நட்டுகாலர் ஹெக்ஸ் தலைக்கு கீழே நீட்டிக்கப்படும் நடைமுறை ஃபாஸ்டென்சர்கள், மிகவும் பாதுகாப்பான பிடிப்புக்காக உங்களுக்கு 2-3 கூடுதல் இழைகளை வழங்குகிறது. நிலையான அறுகோண வடிவத்தை அனைத்து சாதாரண குறடுகளுடனும் பயன்படுத்தலாம், மேலும் காலரின் மென்மையான விளிம்பு தொழிலாளர்கள் நிறுவுவதை எளிதாக்குகிறது. அடிப்படை நட்டை விட சற்று கனமாக இருந்தாலும், உள்ளமைக்கப்பட்ட காலர் வலிமையை சேர்க்கிறது மற்றும் ஒரு தனி வாஷர் அல்லது கேஸ்கெட்டின் தேவையை நீக்குகிறது. உங்களுக்கு கூடுதல் நூல் ஈடுபாடு தேவைப்படும்போது அல்லது மெக்கானிக்கல், கட்டுமானத்தில் வெளிப்படும் கூர்மையான விளிம்புகளைக் குறைக்க விரும்பினால், எங்களுடையதைத் தேர்வுசெய்ய பரிந்துரைக்கிறோம்.காலர் கொண்ட அறுகோண நட்டு.

ஏன் எடுக்க வேண்டும்காலர் கொண்ட அறுகோண நட்டு?
காலர் போல்ட்டை நீண்ட நேரம் வைத்திருக்கிறது, அதிக சுமைகளின் கீழ் நூல் இழப்பு அபாயத்தைக் குறைக்கிறது. இது கூர்மையான போல்ட் முனைகளையும் மறைக்க முடியும், இது விளையாட்டு மைதானங்கள், தளபாடங்கள் அல்லது உபகரணங்களில் பயன்படுத்த பாதுகாப்பானது. நட்டு நிறுவ வேண்டும், காலர் இரட்டை வேடத்தில் விளையாட முடியும். போல்ட் நீளம் மாற்றங்கள் அல்லது நூல்களுக்கு பாதுகாப்பு தேவைப்படும் சூழல்களுக்கு ஏற்றது.
காலர் கொண்ட அறுகோண நட்டுவாகனம் (சஸ்பென்ஷன் சிஸ்டம்ஸ், எஞ்சின் மவுண்ட்ஸ்), கட்டுமானம் மற்றும் விவசாயத்தில் பயன்படுத்தப்படுகிறது. அவை மரச்சாமான்கள் அசெம்பிளி, உடற்பயிற்சி உபகரணங்கள் மற்றும் DIY திட்டங்களில் பயன்படுத்தப்படுகின்றன, அங்கு போல்ட் அடிக்கடி சரிசெய்யப்படுகிறது.
காலர் கொண்ட அறுகோண நட்டுகூடுதல் நூல் பாதுகாப்பை வழங்குகிறது. கூடுதல் ஷிம்கள் அல்லது கவர்கள் தேவையில்லை, இது DIY ஆர்வலர்கள் அல்லது செயல்திறனுக்கு முன்னுரிமை அளிக்கும் தொழில்களுக்கு ஏற்றது. இது சற்று விலை அதிகம், ஆனால் இது நேரத்தை மிச்சப்படுத்துகிறது மற்றும் பயன்படுத்தப்படும் பகுதிகளின் எண்ணிக்கையை குறைக்கிறது.