அதிக வலிமை கொண்ட முகம் ப்ரொஜெக்ஷன் வெல்டிங் போல்ட் என்பது உலோகத் தாள்கள் அல்லது கட்டமைப்புகளுடன் வலுவாகவும் எளிதாகவும் இணைக்க செய்யப்பட்ட ஒரு சிறப்பு வகையான ஃபாஸ்டென்சர் ஆகும். இது உலோகத்தைத் தொடும் பக்கத்தில் கணிப்புகள் -வழக்கமாக மோதிரங்கள் அல்லது சிறிய புடைப்புகள் -மற்றும் இவை துல்லியமான அளவுகளாக உருவாக்கப்படுகின்றன.
நீங்கள் அதை பற்றவைக்கும்போது, நிறைய மின் மின்னோட்டம் இந்த திட்டங்களில் கவனம் செலுத்துகிறது. அது அங்குள்ள உலோகம் மிகவும் சூடாகவும், உருகவும், பின்னர் அது குளிர்ச்சியடையும் போது, அது ஒரு வலுவான வெல்டை உருவாக்குகிறது. இந்த வெல்ட் நீங்கள் பணிபுரியும் துண்டுக்கு அதிக வலிமை முகம் திட்டத்தை வெல்டிங் போல்ட் இறுக்கமாக வைத்திருக்கிறது.
அதிக வலிமை கொண்ட முகம் ப்ரொஜெக்ஷன் வெல்டிங் போல்ட்டின் முக்கிய வேலை, எடையைக் கொண்டிருக்கக்கூடிய நிரந்தர, நூல் அடிப்படையிலான இணைப்பு புள்ளியை உருவாக்குவதாகும். அதை பற்றவைக்க உங்களுக்கு சிறப்பு ப்ரொஜெக்ஷன் வெல்டிங் உபகரணங்கள் தேவை.
எலக்ட்ரோட்கள் கீழே அழுத்தி, போல்ட்டின் கணிப்புகள் மற்றும் நீங்கள் பணிபுரியும் உலோகத் துண்டு மூலம் நிறைய மின்சாரத்தை அனுப்புகின்றன. வெல்டிங் போல்ட் தயாரிக்கப்படும் விதம் என்பது கணிப்புகள் மட்டுமே உருகுவதைக் குறிக்கிறது -இன்னும் எதுவும் இல்லை. அவை குளிர்ச்சியடையும் போது, அவை ஒரு வலுவான உலோக பிணைப்பை உருவாக்குகின்றன, மேலும் அதைச் சுற்றியுள்ள உலோகம் வளைந்திருக்கவோ அல்லது திசைதிருப்பவோ இல்லை.
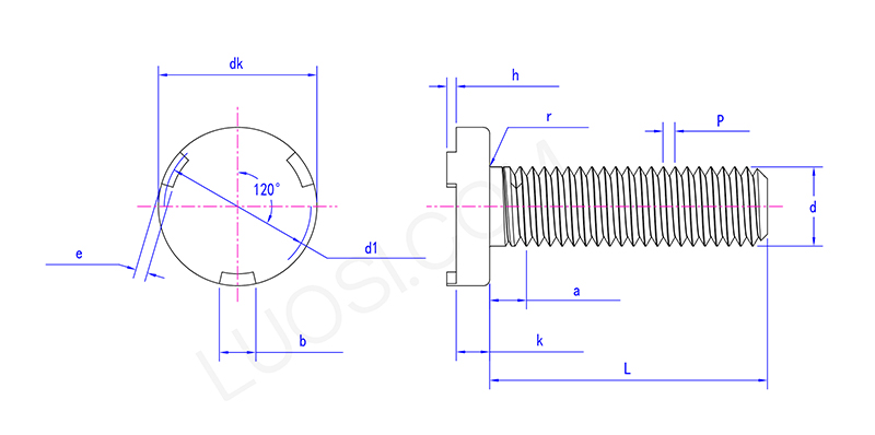
| மோன் | எம் 5 | எம் 6 | எம் 8 | எம் 10 |
| P | 0.8 | 1 | 1.25 | 5 |
| டி.கே. மேக்ஸ் | 12.4 | 14.4 | 16.4 | 20.4 |
| டி.கே. | 11.6 | 13.6 | 15.6 | 19.6 |
| கே மேக்ஸ் | 2 | 2.2 | 3.2 | 4.2 |
| கே நிமிடம் | 1.6 | 1.8 | 3.2 | 4.2 |
| மற்றும் அதிகபட்சம் | 2.25 | 2.75 | 2.25 | 2.75 |
| மின் நிமிடம் | 1.75 | 2.25 | 1.75 | 2.25 |
| பி அதிகபட்சம் | 3.3 | 4.3 | 5.3 | 6.3 |
| பி நிமிடம் | 2.7 | 3.7 | 4.7 | 5.7 |
| எச் அதிகபட்சம் | 0.8 | 0.9 | 1.1 | 1.3 |
| எச் நிமிடம் | 0.6 | 0.75 | 0.9 | 1.1 |
| டி 1 மேக்ஸ் | 10 | 11.5 | 14 | 17.5 |
| டி 1 நிமிடம் | 9 | 10.5 | 13 | 16.5 |
| R நிமிடம் | 0.2 | 0.25 | 0.4 | 0.4 |
| ஆர் மேக்ஸ் | 0.6 | 0.7 | 0.9 | 1.2 |
| ஒரு அதிகபட்சம் | 3.2 | 4 | 5 | 5 |

அதிக வலிமை கொண்ட முகம் ப்ரொஜெக்ஷன் வெல்டிங் போல்ட் வெல்டிங் செய்யப்படும் பக்கத்தில் சிறிய உயர்த்தப்பட்ட பாகங்கள் -வழக்கமாக மோதிரங்கள் அல்லது சிறிய பற்களைக் கொண்டுள்ளது. நீங்கள் அதை பற்றவைக்கும்போது, நிறைய மின்சாரம் உயர்த்தப்பட்ட பகுதிகளில் கவனம் செலுத்துகிறது. அவை அடிப்படை உலோகத்திற்கு எதிராக உடனே உருகும், அதே நேரத்தில் மின்முனை கீழே அழுத்துகிறது.
இது வலுவான, இறுக்கமான வெல்ட்களை உருவாக்குகிறது, இது போல்ட்டை நன்றாக வைத்திருக்கிறது. தாள் உலோக வேலைகளுக்கு அவை சிறப்பாக செயல்படுகின்றன.