பிளாஸ்டிக் விரிவடையும் ரிவெட் கிளிப்களின் இயற்கையான அம்சங்கள் சிறப்பு, குறிப்பிட்ட பயன்பாடுகளுக்கு சிறந்ததாக அமைகிறது. இது மின்சாரம் கடத்தாததால், மின் பெட்டிகள் மற்றும் உயர் மின்னழுத்த பகுதிகளில் இது மிகவும் முக்கியமானது. இது தீப்பொறிகளை உருவாக்காது, இது வெடிப்புகள் நிகழக்கூடிய இடங்களில் (ATEX மண்டலங்கள்) உண்மையில் தேவைப்படுகிறது.
MRI அறைகள் மற்றும் உணர்திறன் எலக்ட்ரானிக்ஸ், உலோக ஊசிகளிலிருந்து சிறிய காந்தப்புலங்கள் கூட அனுமதிக்கப்படாத இடங்களில் நீங்கள் அதை இல்லாமல் செய்ய முடியாது.

ஒரு நல்ல பிளாஸ்டிக் விரிவடையும் ரிவெட் கிளிப்புகள், அது தொடர்ந்து செயல்படுகிறதா என்பதை உறுதிசெய்ய கடுமையான சோதனைகள் மூலம் செல்கிறது. இந்தச் சோதனைகள், அளவு துல்லியம், எவ்வளவு இழுக்க முடியும், ஹிட்களை எவ்வளவு நன்றாகக் கையாள்கிறது மற்றும் வெவ்வேறு இரசாயனங்களுடன் வேலை செய்கிறது போன்ற விஷயங்களைச் சரிபார்க்கிறது.
Xiaoguo® இன் பிளாஸ்டிக் cotter pins, குறிப்பிட்ட தேவைகளை பூர்த்தி செய்யும் பொருட்களைப் பயன்படுத்தி, செயல்திறனை உறுதி செய்யும் வகையில் தொழில்துறை தரத்தில் தயாரிக்கப்படுகிறது. அவர்கள் தங்கள் நோக்கத்திற்காக பொருட்களை பாதுகாப்பாகவும் பாதுகாப்பாகவும் வைத்திருக்கிறார்கள். உலோக கோட்டர் ஊசிகளுடன் ஒப்பிடுகையில், பிளாஸ்டிக் தான் அதிக அரிப்பை எதிர்க்கும் மற்றும் துரு-எதிர்ப்பு.

திங்கள்
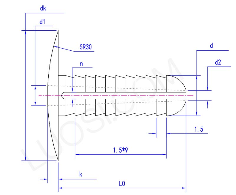
Φ6
Φ8
Φ10
d அதிகபட்சம்
6
8
10
d நிமிடம்
5.8
7.8
9.8
dk அதிகபட்சம்
16.2
16.2
18.2
dk நிமிடம்
15.8
15.8
17.8
k அதிகபட்சம்
1.6
1.6
2.1
கே நிமிடம்
1.4
1.4
1.9
L0
20
20
22
d1
3
4
5
d2
1.5
2
3
n
1
1
1.5
எங்களின் நிலையான பிளாஸ்டிக் விரிவடையும் ரிவெட் கிளிப்புகள் RoHS மற்றும் REACH உள்ளிட்ட முக்கிய சர்வதேச விதிமுறைகளுக்கு இணங்கக்கூடிய பொருட்களால் ஆனவை. உணவு தொடர்பு பயன்பாடுகளுக்கான FDA- சான்றளிக்கப்பட்ட பதிப்புகளையும் நாங்கள் வழங்குகிறோம். கோரிக்கையின் பேரில் இணக்கச் சான்றிதழ்கள் கிடைக்கும்.
உற்பத்தியின் போது உலகளாவிய தரநிலைகளின்படி எங்கள் பொருட்கள் கவனமாக தேர்ந்தெடுக்கப்படுகின்றன, தொடர்புடைய தர தரநிலைகளுடன் இணங்குவதை உறுதிசெய்கிறது மற்றும் பாதுகாப்பான ஏற்றுமதி மற்றும் உலகளாவிய பயன்பாட்டை உறுதி செய்கிறது.