Nte நைலான் பூட்டு நட்டு செருகவும்உள் நூல்களில் நைலான் காலர் கொண்ட சுய பூட்டுதல் ஃபாஸ்டென்சர் ஆகும். இது போல்ட் மீது திருகும்போது, நைலான் நூல்களைப் பூட்டுகிறது மற்றும் அதிர்வு அல்லது இயக்கம் இருக்கும்போது நட்டு எளிதில் தளர்த்த வாய்ப்பில்லை.

திNte நைலான் பூட்டு நட்டு செருகவும்துத்தநாகம் பூசப்பட்ட எஃகு அல்லது எஃகு போன்ற பொருட்களால் ஆனது, இது இயந்திரங்கள், வாகனங்கள் அல்லது நம்பகத்தன்மை முக்கியத்துவம் வாய்ந்த உபகரணங்களுக்காக வடிவமைக்கப்பட்டுள்ளது. வழக்கமான கொட்டைகள் போலல்லாமல், திNte நைலான் பூட்டு நட்டு செருகவும்கூடுதல் பூட்டு துவைப்பிகள் அல்லது பசைகள் தேவையில்லை - இது சொந்தமாக பூட்டுகிறது. நிறுவுவது எளிது, மீண்டும் பயன்படுத்தக்கூடியது (வரம்புகளுக்குள்), மற்றும் தொழில்துறை அமைப்புகள் மற்றும் அன்றாட பழுதுபார்ப்பு இரண்டிலும் செயல்படுகிறது.
பயன்படுத்தவும்Nte நைலான் பூட்டு நட்டு செருகவும்அசைக்கும் அல்லது நகரும் பகுதிகளைப் பாதுகாக்க. எடுத்துக்காட்டுகள்: மோட்டார் சைக்கிள் கால்பந்துகளை கட்டுதல், கன்வேயர் பெல்ட் உருளைகளை இடத்தில் வைத்திருத்தல் அல்லது சரிசெய்யக்கூடிய பகுதிகளுடன் அலுவலக நாற்காலிகள் ஒன்றிணைத்தல். கார்டன் டிரெய்லர்கள் அல்லது பைக் ரேக்குகள் போன்ற வெளிப்புற உபகரணங்களுக்கும் இது எளிது, அங்கு புடைப்புகள் மற்றும் வானிலை நிலையான கொட்டைகளை தளர்த்தக்கூடும். வீட்டு பட்டறைகளில், தள்ளாடும் அட்டவணைகளை சரிசெய்வது அல்லது பயன்பாட்டின் போது அதிர்வுறும் சக்தி கருவி கூறுகளைப் பாதுகாப்பது சிறந்தது.
நீங்கள் பார்ப்பீர்கள்Nte நைலான் பூட்டு நட்டு செருகவும்வாகன உற்பத்தி (என்ஜின் ஏற்றங்கள், இடைநீக்க பாகங்கள்), எச்.வி.ஐ.சி அமைப்புகள் (ரசிகர் கத்திகள் அல்லது குழாயைப் பாதுகாத்தல்) மற்றும் சலவை இயந்திரங்கள் அல்லது உடற்பயிற்சி பைக்குகள் போன்ற நுகர்வோர் பொருட்கள். வேளாண் இயந்திரங்கள், மிதிவண்டிகள் மற்றும் மின்னணுவியல் சட்டசபை ஆகியவற்றிலும் இது பொதுவானது - எங்கிருந்தும் அதிர்வுகள் அல்லது அடிக்கடி மாற்றங்கள் வழக்கமான கொட்டைகளை தளர்த்தக்கூடும்.

| சந்தை |
மொத்த வருவாய் (%) |
| வட அமெரிக்கா |
14 |
| தென் அமெரிக்கா |
10 |
| கிழக்கு ஐரோப்பா |
16 |
| தென்கிழக்கு ஆசியா |
10 |
| கிழக்கு நடுப்பகுதி |
7 |
| கிழக்கு ஆசியா |
17 |
| மேற்கு ஐரோப்பா |
12 |
| தெற்காசியா |
6 |
| உள்நாட்டு சந்தை |
8 |
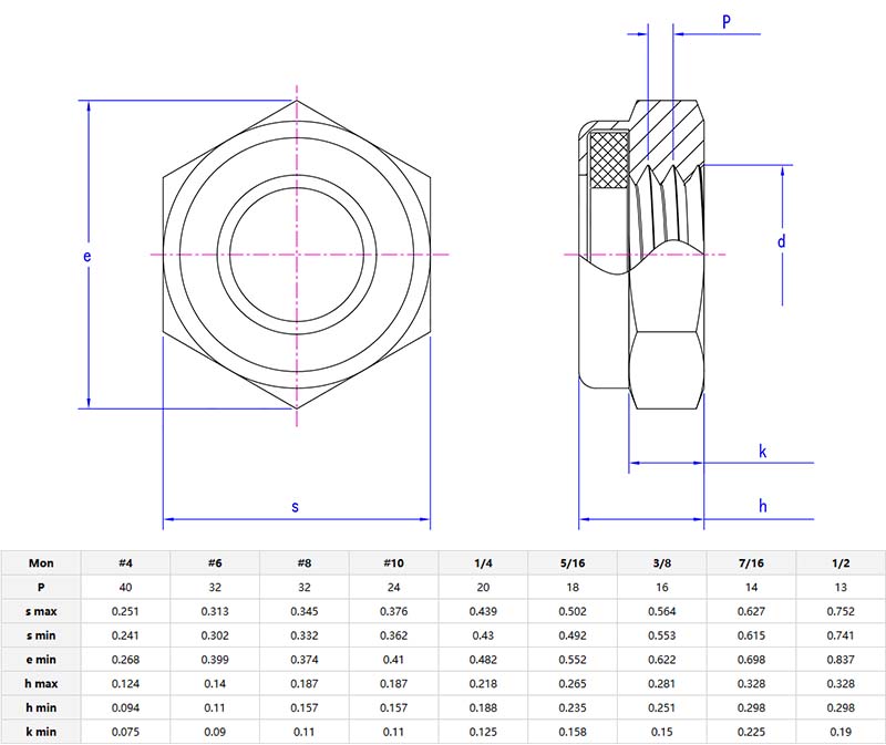
Xiaoguo® தனிப்பயனாக்கலாம்Nte நைலான் பூட்டு கொட்டைகளை செருகவும்உங்கள்போல்ட். அறுகோண வடிவம்நட்ஒரு நிலையான குறடு பொருந்துகிறது, மற்றும் உள்ளே நைலான் உடைகள்-எதிர்ப்பு. நாங்கள் மாதிரிகளை வழங்க முடியும், மேலும் ஒரு பெரிய ஆர்டரை வழங்குவதற்கு முன்பு இலவச மாதிரிகள் உங்கள் தேவைகளை பூர்த்தி செய்கின்றனவா என்பதை நீங்கள் சோதிக்கலாம்.